< 南京市部分二次供水2026年03月水质抽查监测结果通报_南京市水务局_ 南京市水务局

首页 > 南京市水务局

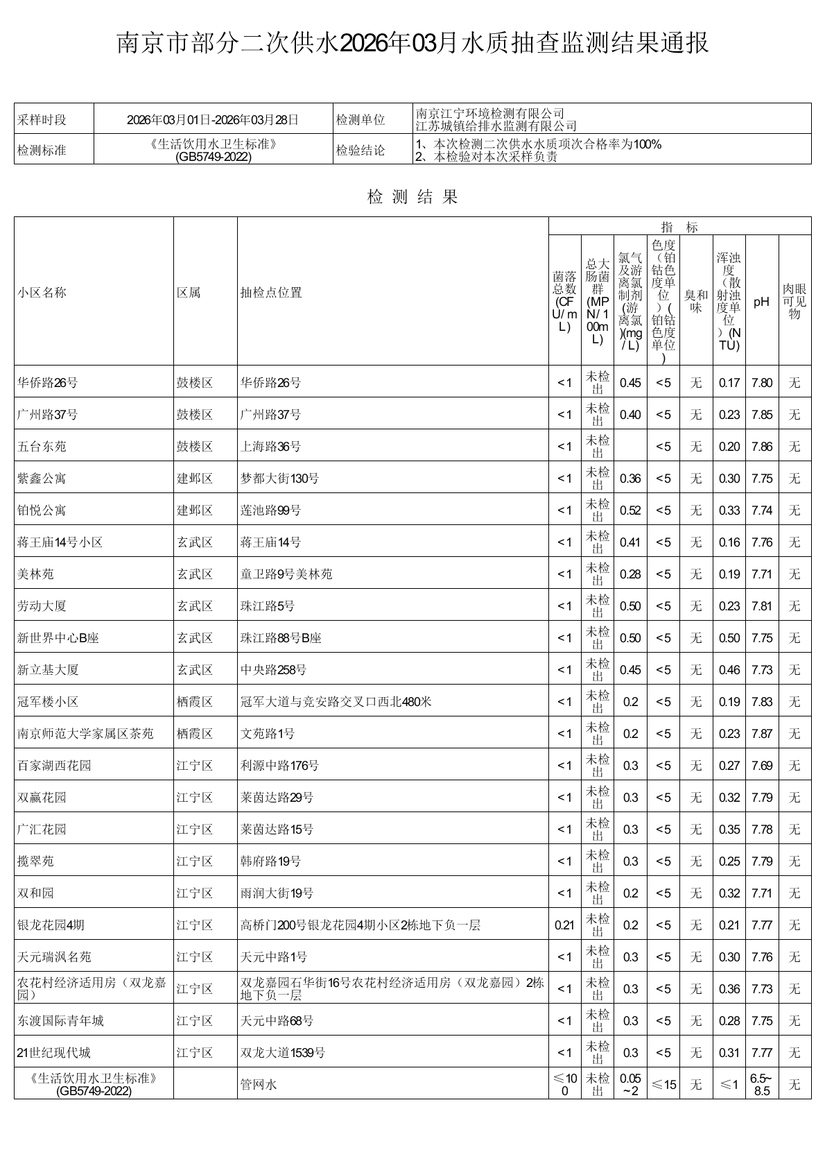
索 引 号:    01294843X/2026-24166 信息分类:    农业、林业、水利 / 生活饮用水水质安全 / 其他
发布机构:    南京市水务局 生成日期:    2026-04-17
生效日期:     废止日期:    
信息名称:    南京市部分二次供水2026年03月水质抽查监测结果通报
文  号:     关 键 词:    部分;二次供水;抽查;通报
内容概览:    
在线链接地址:    
文件下载:  
南京市部分二次供水2026年03月水质抽查监测结果通报

关闭本页】 【打印本页返回顶部